

【 微信扫码咨询 】
0755-23600231

BL8032TT 是上海贝岭推出的全集成同步降压转换器,凭借 4.2V~18V 宽压输入、2A 稳定输出、96% 高效率及 SOT23.
了解详情
BL8032 是上海贝岭推出的全集成同步降压转换器,凭借 4.2V~18V 宽压输入、2A 输出电流、96% 高效率及 SOT23-6.
了解详情
BLL2206 是上海贝岭推出的高集成度同步降压转换器,凭借 6A 连续输出电流、98% 超高效率、4MHz 高开关频率及.
了解详情
在手机、数码相机、笔记本 USB 外设等便携电子设备中,电源芯片的输出能力、效率与稳定性直接决定产品体验。.
了解详情
在手机、数码相机、便携式播放器等小型电子设备中,电源芯片的小型化、高效率与可靠性直接影响产品体验。上海.
了解详情
在手机、数码相机、便携式播放器等小型电子设备中,对电源芯片的效率、体积和可靠性要求日益严苛。上海贝岭推.
了解详情
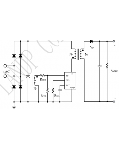
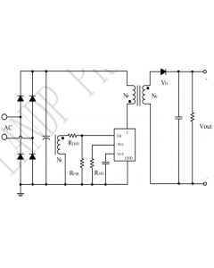
在充电器、适配器、LED 驱动电源等小功率电源场景中,S3773C、CSC7137B、FM3773HB、U95113 等原边反馈 .
了解详情
在车载冷启动、工业仪表高压供电等复杂场景中,传统降压芯片常受限于输入电压范围窄、效率低、体积大等问题。.
了解详情
在分布式电源系统、数字机顶盒、平板电视等设备中,高效稳定的降压供电是保障性能的核心。上海贝岭的 BL.
了解详情
LS8750M 高性能 CV/CC 电流型 PWM 控制芯片。该产品在性能参数、封装形式、应用场景上实现对 KP201LGA、U62.
了解详情
LS8751P 高性能电流型 PWM 控制芯片。这款专为 AC/DC 电源场景设计的控制芯片,凭借 “智能能效优化、全场景.
了解详情LS4056 单节锂离子电池充电器—— 这款高集成度线性充电芯片,以精准的充电控制、全面的安全防护与极简的外围.
了解详情LS8912F原边反馈谷底导通控制芯片,以 15W 高功率输出、高精度控制、多重安全防护等核心优势,为中功率充电器、.
了解详情LS8912E原边反馈谷底导通控制芯片,凭借恒压恒流高精度控制、低待机功耗、多重保护等核心优势,为 12W 级电源产.
了解详情GP85490作为一款高性能 AC/DC 电流型 PWM 控制芯片,具备了卓越的性能和广泛的适用性以及高性价比的单价。今.
了解详情还在为元器件多、布板复杂头疼?今天安利的 LP3717BTT,直接把 “简化” 焊在 DNA 里!✅ 自供电 + 内置启动电路:.
了解详情在适配器、充电器、LED 驱动电源等中小功率电源领域,“简化设计、降低成本、提升可靠性” 是工程师永恒的追.
了解详情一、GP8892EH 核心特点1、集成度高,外围精简内置功率三极管、FB 下偏电阻(12KΩ)、CS 采样电阻及环路补偿电路,.
了解详情在 5W 级电源芯片应用领域,S3773C 凭借与 CSC7137B、FM3773HB、U95123、LP3773CA 在核心功能及性能参数上的.
了解详情在 5W 级电源设计中,GP8892CS 凭借高集成度、稳定性能与场景适配性,成为充电器、适配器及小型驱动电源的优选.
了解详情GP8892SE 是一款自供电恒压、恒流原边反馈控制芯片,支持 110~265VAC 宽电压输入,典型应用功率 10W(5V/2000mA),采.
了解详情GP8892CAS 是一款自供电恒压、恒流原边反馈控制芯片,支持 180~265VAC 宽电压输入,典型应用功率 5W(5V/1000mA),采.
了解详情在充电器、适配器等小功率电源设计中,芯片的集成度、稳定性和适配性是核心考量。GP8891CS作为一款自供电恒压.
了解详情一、芯片概述BL8036CS8TR 是一款高性能 DC - DC 降压转换芯片,具有宽输入电压范围、大输出电流能力以及高效.
了解详情BL8851 作为一款电流模式 PWM 电源开关芯片,专为 40W - 60W 离线反激式转换器应用而优化,具备高性能、低待机.
了解详情BL9342 作为高性能降压型 DC-DC 转换器,以高集成、宽适配、高效率的特性,成为消费电子、工业控制及汽车电子领.
了解详情在智能用电领域,精准计量、安全可靠与便捷集成是关键诉求。上海贝岭 BL0942 作为免校准单相电能计量芯片,凭借.
了解详情在单相电能计量相关设备的设计中,计量精度、电路复杂度及运行稳定性是关键考量因素。Belling-BL0937B 作为内.
了解详情作为一款专为中小功率降压场景设计的同步降压 DC/DC 变换器,晶源微 CSC5812CL 以 “宽压适配、高效稳定、设.
了解详情在小功率电源芯片赛道,“性能达标” 是入场券,“成本可控” 是通行证。晶源微 CSC7137D 以 “高集成度” 为核.
了解详情公司电话
0755-23600231
