在芯片市场竞争白热化的当下,晶源微 CSC7137B 芯片凭借其显著的成本优势,在多个对成本高度敏感的市场中崭露头角,为相关产品带来了更强的市场竞争力。
一、消费电子充电器市场:以低成本实现高效充电
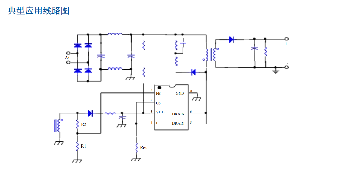
在消费电子领域,尤其是智能手机、平板电脑、耳机等设备的充电器制造中,成本控制至关重要。CSC7137B 作为一款高效率低待机功耗原边反馈小功率电源 AC/DC 驱动电路,无需光耦,极大减少了元件数量。相比那些依赖光耦及复杂反馈回路的传统方案,元件采购成本大幅降低。以常见的 5V/1A 充电器为例,采用 CSC7137B 芯片后,物料成本可削减约 20%。
并且,该芯片运用开关频率调制和初级电流峰值振幅(FM 和 AM)多模式工作技术,确保了全负载和线性范围内较高的转换效率。高效的转换意味着在同样的充电任务下,电能损耗更低,从长期使用角度降低了消费者的用电成本,提升了产品的性价比,使采用此芯片的充电器在价格竞争激烈的消费电子充电器市场更具优势。
二、小家电电源市场:精简设计降低整体成本
小家电市场产品种类繁多,如加湿器、香薰机、小型风扇等,这些产品通常售价不高,利润空间相对较窄,对成本控制极为严苛。CSC7137B 芯片的极简设计理念与小家电市场需求高度契合。
它通过内部集成多种功能模块,简化了外部电路设计,减少了 PCB 布线的复杂性,进而缩小了 PCB 面积。这不仅降低了电路板的制作成本,还使整个电源模块的体积得以减小,有利于小家电产品实现更紧凑的外观设计,降低产品整体的物料与组装成本。同时,芯片的低待机功耗特性,契合了当下消费者对节能家电的需求,减少了产品在待机状态下的电能浪费,降低了用户长期使用成本,提升了产品在市场中的竞争力。
三、新兴物联网终端设备市场:助力低成本规模化部署
随着物联网技术的飞速发展,大量低成本、低功耗的物联网终端设备需求爆发。从智能门锁中的小型传感器、控制器,到智能家居环境监测设备等,这些终端设备需要稳定且低成本的电源解决方案以实现大规模部署。
CSC7137B 芯片的成本优势在此类市场中发挥得淋漓尽致。由晶源微授权代理 - 粤华信科技供应,且较低的采购成本使得生产厂商在大规模采购芯片时,能有效控制物料支出。并且,简单的外围电路设计和低功耗特性,降低了设备在生产制造过程中的人力、物力成本以及后期的维护成本。例如在智能门锁中,使用 CSC7137B 作为辅助电源芯片,既能确保门锁内部蓝牙通信模块、应急照明电路等稳定工作,又能以较低的成本实现产品的批量生产,推动物联网终端设备在普通家庭中的普及,助力企业在竞争激烈的物联网市场中抢占先机。




