在小家电的复杂电路世界里,电源芯片如同跳动的 “心脏”,为设备稳定运行输送着关键 “能量”。芯茂微的 LP2179A 芯片,以其卓越性能在众多电源芯片中脱颖而出,从打造迷人卷发的自动电卷棒,到冬日带来温暖的电暖风,LP2179A 默默支撑着各类小家电的高效运转。今天,让我们深入探索这款芯片的魅力。
一、选型核心参数参考
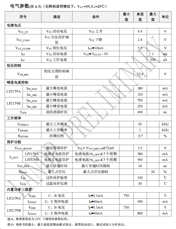
LP2179A 采用 SOP8L 封装,适用于 85VAC - 265VAC 全电压输入,在 12V 输出、温升≤40℃条件下,最大输出电流可达 200mA。其核心参数如下:
输出特性:固定输出 12V,恒压反馈控制阈值典型值为 12.0V ,输出电压遵循公式\(V_{0}=V_{FB\_REG}+V_{D3}-V_{D2} \) (其中\(V_{D2}\)为续流管压降,\(V_{D3}\)为反馈二极管压降)。通过该公式,工程师能够精准调节输出电压,满足不同小家电对电压的严苛要求。
保护机制:集成了输出短路保护(当 VCC<3.5V 且持续 72ms 时触发)、电感过流保护(阈值为 580mA,持续 7 个周期触发)、150℃过温保护以及 VCC 欠压保护(阈值 2.4V)。这些保护机制就像为芯片穿上了一层坚固的 “铠甲”,全方位抵御异常工况对芯片的损害。
功耗与效率:待机功耗小于 75mW,启动电流仅 1μA,工作电流≤550μA 。在全负载范围内支持 CCM/DCM 模式,出色的功耗控制让小家电在待机时也能做到节能省电。

二、核心优势:精简设计与可靠性能
1. 高集成度,简化外围电路
LP2179A 内置 750V 高压功率管、启动电路以及峰值电流控制模块,这一强大的集成特性使得它无需启动电阻和 CS 采样电阻。在典型的 Buck 拓扑电路中,仅需 1mH 电感、M7 续流管等基础元件即可搭建电路。与传统方案相比,物料成本降低 40% 以上,极大减轻了工程师的设计负担,同时提高了电路的整体可靠性。
2. 宽压适配与精准控压
支持 85VAC - 265VAC 全范围输入电压,无论是在电压稳定的城市,还是电压波动较大的偏远地区,搭载 LP2179A 的小家电都能稳定运行。芯片通过 FB 脚反馈精准控制输出电压,并配合 PFM 调制技术,在全负载范围内都能保持优异的负载调整率,确保输出电压的稳定,为小家电的稳定工作提供坚实保障。
3. 多重保护,提升系统安全性
除常规的短路、过流保护外,芯片还集成了 VCC 钳位(5.5V)和过温保护迟滞(30℃)功能。在自动电卷棒使用过程中,如果用户不小心堵住了散热孔,导致芯片温度过高,过温保护功能将迅速启动,避免芯片因过热而损坏;当电暖风的电路出现短路故障时,短路保护功能立即响应,防止电路烧毁,全方位守护用户的使用安全。
4. 低功耗与 EMI 优化
空载时,LP2179A 自动切换至最小峰值电流(120mA)和最低频率(1kHz),待机功耗小于 75mW,符合当下节能环保的趋势。同时,通过优化功率环路设计(建议面积 < 1cm²)和内置抖频技术(±7%),有效降低了电磁干扰。在家庭环境中,多台电子设备同时使用时,搭载 LP2179A 的小家电不会对其他设备产生干扰,确保家庭电子设备和谐共处。

三、典型应用场景:聚焦小家电与白色家电
1. 小家电电源
在小家电领域,LP2179A 应用极为广泛。以自动电卷棒为例,其稳定的 12V 输出电压能够精准控制加热元件的温度,帮助用户轻松打造出理想的卷发效果。在使用过程中,LP2179A 的多重保护机制确保了设备的安全运行,即使在长时间使用导致温度升高的情况下,过温保护功能也能及时介入,避免设备损坏。此外,对于加湿器而言,LP2179A 的宽压特性可适应全球不同地区的电网电压,低功耗设计则减少了设备在待机状态下的能耗,为用户节省电费。空气炸锅同样受益于 LP2179A,其高效稳定的电源供应保证了炸锅内的加热元件和电机等部件协同工作,为用户烹饪出美味健康的食物。2. 白色家电控制模块
在白色家电方面,LP2179A 为微波炉、洗衣机的控制面板提供稳定可靠的电源。在微波炉中,面对复杂的加热、解冻等工作模式,LP2179A 能够稳定供电,确保控制面板的各项功能正常运行。其 EMI 优化设计有效减少了对微波炉内部其他控制芯片的干扰,保证了微波炉整体运行的稳定性。对于洗衣机而言,在频繁的电机启动、停止等复杂工况下,LP2179A 凭借自身出色的性能,保障了控制面板与电机等部件之间的稳定通信,使洗衣机能够按照用户设定的程序精准运行。3. 智能设备辅助电源
在智能设备领域,LP2179A 也发挥着重要作用。以智能门锁为例,其 1μA 的启动电流支持设备快速唤醒,当用户携带钥匙靠近门锁时,LP2179A 能够迅速为门锁的控制电路供电,实现快速解锁。同时,短路保护功能可有效防止外接线路因意外短路而引发的安全隐患,保障用户的财产安全。对于安防摄像头而言,LP2179A 提供的稳定 12V 电源,确保了摄像头在日夜不间断工作过程中的画面清晰、传输稳定,为家庭安全保驾护航。四、选用理由:适配中小功率场景的高性价比之选
1. 成本优势
精简的外围元件搭配编带包装(4000 颗 / 盘),使得 LP2179A 在批量生产时具有显著的成本优势。对于小家电生产企业而言,降低了采购成本和装配成本,提高了产品的市场竞争力。2. 设计友好
无需复杂的调试过程,在 PCB 布局时,工程师只需注意将 VCC 电容(1μF/10V)紧靠芯片引脚,并增大 C 脚铺铜面积以实现良好散热,即可完成设计。这大大缩短了产品的研发周期,提高了企业的研发效率。3. 可靠性验证
LP2179A 芯片的工作结温范围为 - 40℃ - 150℃,ESD 防护 > 2kV,经过了严苛的环境测试。无论是在寒冷的北方冬季,还是炎热潮湿的南方夏季,搭载 LP2179A 的小家电都能稳定运行,适合长期运行的家电设备使用场景。五、选型注意事项
若需要更大输出电流(≤300mA),可选用同系列的 LP2179B 。不同的应用场景对电流需求不同,工程师可根据实际情况灵活选择。
在续流管的选择上,建议在 12V/200mA 场景下选用 ES1J,输出电容需 > 150μF/16V 以有效抑制纹波,确保电路稳定运行。正确选择外围元件是发挥芯片最佳性能的关键。采购渠道方面,可通过联系芯茂微授权代理-粤华信科技,确保购买到正品芯片,并能获得专业的技术支持。
LP2179A 以 “高集成、低功耗、强保护” 为核心优势,在中小功率家电电源设计中,完美平衡了性能与成本,是替代传统分立方案的理想选择。无论是追求高效稳定电源的小家电制造商,还是致力于提升产品品质的工程师,LP2179A 都值得纳入选型考量范围,助力开启小家电电源设计的新篇章。




